NEMA 8 LEAD SCREW MOTOR
The NEMA 8 lead screw motor is our smallest motor and can be placed in very tight Spaces. The service life of the abrasive plastic nut is almost over 2 million times, making it very suitable for high-precision medical devices.
-
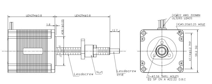
Motor Body Size

-
Motor Parameters
| LC8D-015A04 | |
| Length | 27.2mm |
| Rated voltage (Vm) DC | 3.28 |
| A/phase | 0.4 |
| R/phase Rm (ohm) | 7 |
| Inductance/phase(MH@1000Hz) | 2.2 |
| Minimum holding torque(N-cm) | 1.2 |
| Step Angle(°) | 1.8 |
| Step accuracy (non-cumulative)% | ±5 |
| LC8D-018A04 | |
| Length | 37.8mm |
| Rated voltage (Vm) DC | 4.4 |
| A/phase | 0.4 |
| R/phase Rm (ohm) | 11 |
| Inductance/phase(MH@1000Hz) | 4 |
| Minimum holding torque(N-cm) | 1.8 |
| Step Angle(°) | 1.8 |
| Step accuracy (non-cumulative)% | ±5 |
-
Torque Curve

-
Wiring

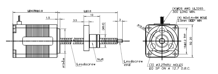
NEMA 11 LEAD SCREW MOTOR
Our NEMA 11 lead screw motor material is carefully selected and features high precision leads imported from ACME USA.
The NEMA 11 lead screw motor supports encoder integration.
-
Motor Body Size

-
Motor Parameters
| LC11D-06A10 | |
| Length | 31.1mm |
| Rated voltage (Vm) DC | 2.7 |
| A/phase | 1 |
| R/phase Rm (ohm) | 2.7 |
| Inductance/phase(MH@1000Hz) | 2.4 |
| Minimum holding torque(N-cm) | 6 |
| Step Angle(°) | 1.8 |
| Step accuracy (non-cumulative)% | ±5 |
| LC11D-12A10 | |
| Length | 44.4mm |
| Rated voltage (Vm) DC | 3.2 |
| A/phase | 1 |
| R/phase Rm (ohm) | 3.2 |
| Inductance/phase(MH@1000Hz) | 4 |
| Minimum holding torque(N-cm) | 12 |
| Step Angle(°) | 1.8 |
| Step accuracy (non-cumulative)% | ±5 |
-
Torque Curve

-
Wiring

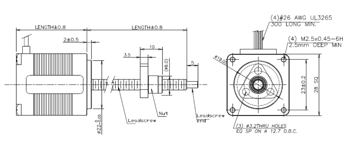
NEMA 14 LEAD SCREW MOTOR
The NEMA 14 lead screw motor USES a high-precision warning lead screw from ACME USA with an accuracy of ±0.017mm.
The NEMA 14 lead screw motor USES imported high-wear-resistant engineering plastic nuts and has a service life of 2.1 million times.
Both CAN and RS232/RS485 support integration.
The NEMA 14 lead screw motor has eight times the life of a copper product.
-
Motor Body Size

-
Motor Parameters
| LC14D-15A12 | |
| Length | 33.8mm |
| Rated voltage (Vm) DC | 2.64 |
| A/phase | 1.2 |
| R/phase Rm (ohm) | 2.2 |
| Inductance/phase(MH@1000Hz) | 4.2 |
| Minimum holding torque(N-cm) | 15 |
| Step Angle(°) | 1.8 |
| Step accuracy (non-cumulative)% | ±5 |
| LC14D-25A15 | |
| Length | 47.3mm |
| Rated voltage (Vm) DC | 3.5 |
| A/phase | 1.5 |
| R/phase Rm (ohm) | 2 |
| Inductance/phase(MH@1000Hz) | 3 |
| Minimum holding torque(N-cm) | 25 |
| Step Angle(°) | 1.8 |
| Step accuracy (non-cumulative)% | ±5 |
-
Torque Curve

-
Wiring

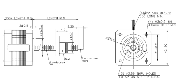
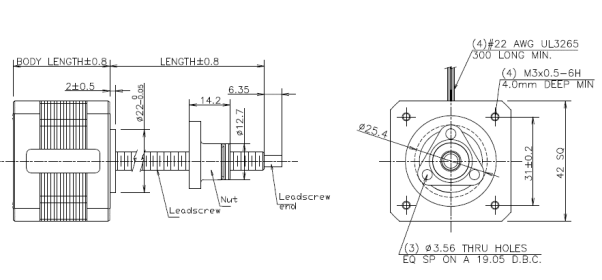
NEMA 17 LEAD SCREW MOTOR
The NEMA 17 lead screw motor is a high precision lead screw motor that is widely used in fields such as factory automation, 3c inspection and medical analysis equipment.
The NEMA 17 lead screw motor can be optionally integrated with brakes and encoders.
-
Motor Body Size

-
Motor Parameters
| LC17D-23A15 | |
| Length | 33.7mm |
| Rated voltage (Vm) DC | 2.18 |
| A/phase | 1.5 |
| R/phase Rm (ohm) | 1.45 |
| Inductance/phase(MH@1000Hz) | 2.5 |
| Minimum holding torque(N-cm) | 23 |
| Step Angle(°) | 1.8 |
| Step accuracy (non-cumulative)% | ±5 |
| LC17D-48A20 | |
| Length | 47.7mm |
| Rated voltage (Vm) DC | 3.4 |
| A/phase | 2 |
| R/phase Rm (ohm) | 1.7 |
| Inductance/phase(MH@1000Hz) | 3.4 |
| Minimum holding torque(N-cm) | 48 |
| Step Angle(°) | 1.8 |
| Step accuracy (non-cumulative)% | ±5 |
-
Torque Curve

-
Wiring

NEMA 23 LEAD SCREW MOTOR
The ACME lead screw is highly accurate with a resolution of ±0.017mm.
High density plastic nuts have a lifetime of more than 2 million times.
It supports integration with RS232/RS485 and CAN communication protocols.
-
Motor Body Size

-
Motor Parameters
| LC23D-75A20 | |
| Length | 42.3mm |
| Rated voltage (Vm) DC | 2.6 |
| A/phase | 2 |
| R/phase Rm (ohm) | 1.3 |
| Inductance/phase(MH@1000Hz) | 3.2 |
| Minimum holding torque(N-cm) | 75 |
| Step Angle(°) | 1.8 |
| Step accuracy (non-cumulative)% | ±5 |
| LC23D-105A30 | |
| Length | 53.3mm |
| Rated voltage (Vm) DC | 2.25 |
| A/phase | 3 |
| R/phase Rm (ohm) | 0.75 |
| Inductance/phase(MH@1000Hz) | 2.5 |
| Minimum holding torque(N-cm) | 105 |
| Step Angle(°) | 1.8 |
| Step accuracy (non-cumulative)% | ±5 |
-
Torque Curve

-
Wiring

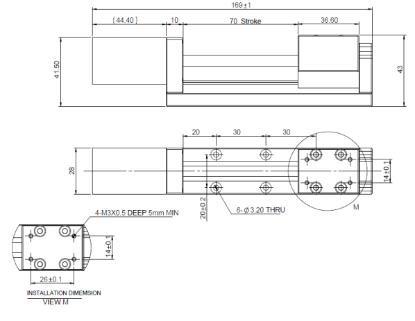
NEMA 11 LINEAR SLIDER
The clearance snat assembly is optional and is used to remove the clearance between the guide shaft and the backplate.
Ball screw size 06/08 (C3/C5/C7) is optional.
It CAN inherit pulse type and RS485/CAN communication is integrated with open loop or closed loop.
-
Motor Body Size

-
Motor Parameters
| LC11D-12A10 | |
| Length | 44.4mm |
| Rated voltage (Vm) DC | 3.2 |
| A/phase | 1 |
| R/phase Rm (ohm) | 3.2 |
| Inductance/phase(MH@1000Hz) | 4 |
| Minimum holding torque(N-cm) | 12 |
| Step Angle(°) | 1.8 |
| Step accuracy (non-cumulative)% | ±5 |
-
Torque Curve

-
Wiring
