-
規格・仕様
| 型式 | □(mm) | モータ長 (mm) |
電流 (A) |
H.TRQ (N·m) |
抵抗 (Ω) |
インダクタンス (mH) |
ロータ慣性モーメント (gcm^2) |
質量 (kg) |
| NKM-14R04A1 | φ36 | 13.7 | 0.3 | 0.043 | 15.3 | 10.3 | 7.3 | 0.06 |
| NKM-14R04A2 | 13.7 | 0.5 | 0.033 | 5.9 | 2.7 | 7.3 | 0.06 | |
| NKM-14R34A1 | 19.6 | 0.3 | 0.087 | 23 | 17.4 | 19.6 | 0.1 | |
| NKM-14R34A2 | 19.6 | 0.5 | 0.088 | 7.8 | 6.8 | 19.6 | 0.1 |
-
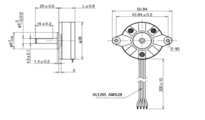
寸法

-
標準結線図と通電順序

|
時計回りCW ⬇ |
励磁順序 | A | B | A/ | B/ |
⬆ 反時計回りCCW |
| 1 | + | + | - | - | ||
| 2 | - | + | + | - | ||
| 3 | - | - | + | + | ||
| 4 | + | - | - | + |
-
回転速度(PPS)ートルク特性(参考値)
NKM-14R04A1

-
おすすめ型式